Akai gx 77

Ответить
  • Автор
  • Сообщение
Не в сети
Сообщения: 9
Зарегистрирован: Вс фев 15, 2026 1:45 pm
Город: Москва

Akai gx 77

Сообщение LIN176 »

Akai gx 77 .ПОмогите, пожалуйста . В прямом ходе при воспроизведении играет отлично, стоит переключить в реверс- тут же начинает тянуть и через -30-40 секунд -полная отановка ! Все проверил, двигатель с платой управления поставил от рабочего аппарата, запитывал двигатель от стороннего блока питания- ничего не помогает . Не знаю даже куда копать. Ремень новый . Все смазано и перебрано.

Не в сети
Сообщения: 95
Зарегистрирован: Пн фев 02, 2026 9:02 am
Город: Сургут

Akai gx 77

Сообщение FEDGEN »

Включите без ленты с катушками и посмотрите как ведут себя подкатушечники при прямом и реверсивном движении , я про натяжение ленты в разных режимах. В реверсе катушку с лентой подкручиванете рукой, посмотрите что будет.

Не в сети
Сообщения: 95
Зарегистрирован: Пн фев 02, 2026 9:02 am
Город: Сургут

Akai gx 77

Сообщение FEDGEN »


Не в сети
Сообщения: 9
Зарегистрирован: Вс фев 15, 2026 1:45 pm
Город: Москва

Akai gx 77

Сообщение LIN176 »

FEDGEN писал(а): Чт апр 02, 2026 9:08 pm Включите без ленты с катушками и посмотрите как ведут себя подкатушечники
Все это делалось . Ничего не дает.

Не в сети
Сообщения: 9
Зарегистрирован: Вс фев 15, 2026 1:45 pm
Город: Москва

Akai gx 77

Сообщение LIN176 »

FEDGEN писал(а): Чт апр 02, 2026 9:14 pm https://www.youtube.com/watch?v=LoWBfNt5ekk
Это видео про перемотки , у меня проблемы с воспроизведением.

VAR
В сети
Аватара пользователя
Сообщения: 59
Зарегистрирован: Ср янв 28, 2026 12:06 pm
Город: г.Дубна МО

Akai gx 77

Сообщение VAR »

Я думаю надо внимательно почитать мануал, благо он в свободном доступе.
Со стр.26 еачинается самое интересное - настройка прижима , натяжения, троможения и прочее.
Короче динамометор вам в руки...

Не в сети
Сообщения: 9
Зарегистрирован: Вс фев 15, 2026 1:45 pm
Город: Москва

Akai gx 77

Сообщение LIN176 »

Настройка прижима - если прижим не правильный , замените пружину. Вот и вся настройка. Пружины и ролики (на всякий случай)поменяны местами - результат тот же. Натяжение и торможение тоже настроены . Полтергейст прямо какой то.

Не в сети
Аватара пользователя
Сообщения: 347
Зарегистрирован: Пн янв 26, 2026 5:05 pm
Город: Зеленоград

Akai gx 77

Сообщение Karlson1664 »

LIN176 писал(а): Пт апр 03, 2026 7:00 pm Полтергейст прямо какой то.
Тогда только свечку поставить :smile:
_________________
aleksejjklc@yandex.ru

Не в сети
Сообщения: 95
Зарегистрирован: Пн фев 02, 2026 9:02 am
Город: Сургут

Akai gx 77

Сообщение FEDGEN »

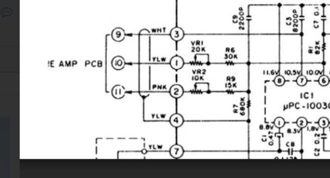
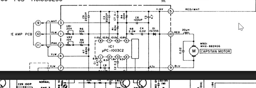
Реле или что там меняет направление тонвального двигателя, замерить напряжения на его обмотках в обеих режимах.

Не в сети
Сообщения: 95
Зарегистрирован: Пн фев 02, 2026 9:02 am
Город: Сургут

Akai gx 77

Сообщение FEDGEN »


Оно?

Не в сети
Аватара пользователя
Сообщения: 137
Зарегистрирован: Вт фев 10, 2026 5:55 pm
Город: Астрахань

Akai gx 77

Сообщение Алекс1969 »

может к специалисту отнести? не? :gigi:

Не в сети
Сообщения: 9
Зарегистрирован: Вс фев 15, 2026 1:45 pm
Город: Москва

Akai gx 77

Сообщение LIN176 »

FEDGEN писал(а): Пт апр 03, 2026 7:35 pm Реле или что там меняет направление
Нет там реле никакого. Два вала вращаются в противоположном направлении постоянно. Реверс за счет прижима левого ролика. Прямой ъод - правого.

Не в сети
Сообщения: 95
Зарегистрирован: Пн фев 02, 2026 9:02 am
Город: Сургут

Akai gx 77

Сообщение FEDGEN »

Это зачем

Не в сети
Сообщения: 9
Зарегистрирован: Вс фев 15, 2026 1:45 pm
Город: Москва

Akai gx 77

Сообщение LIN176 »

FEDGEN писал(а): Пт апр 03, 2026 7:48 pmОно?
Оно. И в прямом ходе работает хоть сутки.

Не в сети
Сообщения: 95
Зарегистрирован: Пн фев 02, 2026 9:02 am
Город: Сургут

Akai gx 77

Сообщение FEDGEN »

тонвалы местами поменяйте,пасики, плёнку за хвост подержите, шестерёнки подохли

VAR
В сети
Аватара пользователя
Сообщения: 59
Зарегистрирован: Ср янв 28, 2026 12:06 pm
Город: г.Дубна МО

Akai gx 77

Сообщение VAR »

А не разные ли тонвалы А и В ?
Иначе они были бы под одним номером в спецификации.
Если разные то местами не поменять.
И смущает два номера 33 в спецификации
Ось тонвала обычно запрессована в маховик, может при нагрузке проворачивается?
Что то весит на валу реверса
Интересно назначение деталей 34 35 36 37

Не в сети
Сообщения: 9
Зарегистрирован: Вс фев 15, 2026 1:45 pm
Город: Москва

Akai gx 77

Сообщение LIN176 »

На валу реверса ничего не висит. А проблема при реверсе не в провороте оси в маховике, а в полной остановке ЛПМ - двигатель останавливается наглухо.

Не в сети
Сообщения: 13
Зарегистрирован: Сб фев 07, 2026 12:29 pm
Город: Екатер

Akai gx 77

Сообщение lerua »

Без ленты двигатель тоже останавливается? (С отключенным автостопом.) Похоже, левый тонвал чем-то тормозится, причем только тогда, когда прижат ролик. Понятно, что стоит проверить поверхность вала, смазку, втулку, Можно скинуть пассик и в режиме реверса покрутить маховик рукой. И выяснить таким образом, что мешает легкости хода.

VAR
В сети
Аватара пользователя
Сообщения: 59
Зарегистрирован: Ср янв 28, 2026 12:06 pm
Город: г.Дубна МО

Akai gx 77

Сообщение VAR »

Тормозить может reel motor R если он в режиме реверс по какой либо причине не выключился ,
проверить по ногам контроллера согласно fig.19 на стр.19 мануала.
Ответить

Вернуться в «Помощь начинающим»