Любая документация на лампомер Л3-33
- Автор
- Сообщение
-
Не в сети
- Сообщения: 15
- Зарегистрирован: Вт фев 10, 2026 3:13 pm
- Город: Москва
Любая документация на лампомер Л3-33
Уже ищу долго, правдами и неправдами. Но вдруг .. шанс))) Нужны любые намёки на документы, даже не технические, на испытатель ламп Л3-33. Не Л3-3, а Л3-33, на всякий. И да, он существует)
-
Не в сети
- Сообщения: 121
- Зарегистрирован: Чт фев 26, 2026 9:04 am
- Город: СПб
-
Не в сети
- Сообщения: 15
- Зарегистрирован: Вт фев 10, 2026 3:13 pm
- Город: Москва
Любая документация на лампомер Л3-33
Специально написал - не для Л3-3, а для Л3-33 
-
Не в сети
- Сообщения: 15
- Зарегистрирован: Вт фев 10, 2026 3:13 pm
- Город: Москва
Любая документация на лампомер Л3-33
У него дисплей на АЛС340
-
Не в сети
- Сообщения: 121
- Зарегистрирован: Чт фев 26, 2026 9:04 am
- Город: СПб
Любая документация на лампомер Л3-33
виноват-с, лоханулся
получается, про Л3-33 интернет ничего не знает. сильно секретный прибор!
может, стОит поискать по картинке, если он есть вживую, где-то у кого-то
либо может, слегка не та маркировка/обозначение?
получается, про Л3-33 интернет ничего не знает. сильно секретный прибор!
может, стОит поискать по картинке, если он есть вживую, где-то у кого-то
либо может, слегка не та маркировка/обозначение?
-
Не в сети
- Сообщения: 15
- Зарегистрирован: Вт фев 10, 2026 3:13 pm
- Город: Москва
Любая документация на лампомер Л3-33
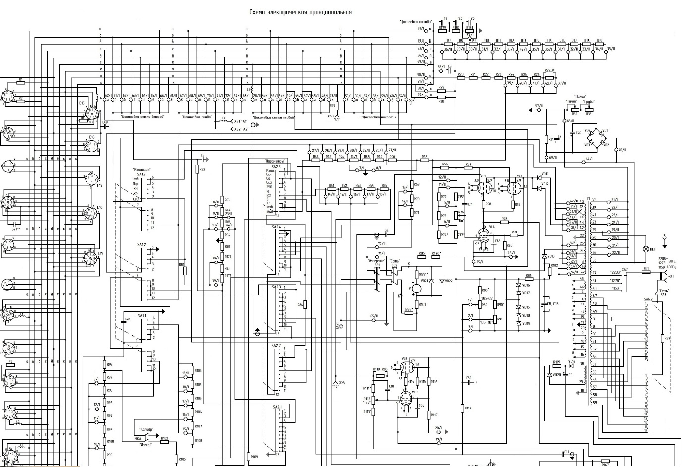
Он у меня на складе лежит)) Не исключено, существует в единственном экземпляре, потому как на шильдике не пробит серийник, но обозначение четкое и крупное: Л3-33, без логотипа. Детали в основном 89-91 годов. Изготовление заводское (впрочем бывают и самоделки заводского уровня). Отсутствует процессорная плата (видимо было много рыжего), впрочем есть версия, что её сделать не успели просто. Заимел случайно, в качестве оплаты. Продан любителю раритетов с условием полного восстановления работоспособности. Хотелось бы соблюсти аутентичность, но следов доков нет уже года 3, поэтому чую придется самому изобретать плату процессора... Фото плавали в инете, но такое впечатление, что это всё этот же экземпляр.
-
Не в сети
- Сообщения: 69
- Зарегистрирован: Чт янв 29, 2026 11:58 am
- Город: Москва
Любая документация на лампомер Л3-33
Jaslov, не затруднит фотку сделать и выложить?
Я о таком впервые слышу.
-
Я о таком впервые слышу.
-
-
Не в сети
- Сообщения: 121
- Зарегистрирован: Чт фев 26, 2026 9:04 am
- Город: СПб
Любая документация на лампомер Л3-33
скорее всего лаборатория при каком то заводе сделала под свои нужды, в единственном экземпляре, ессесно;Jaslov писал(а): Вт мар 10, 2026 12:57 pm Изготовление заводское (впрочем бывают и самоделки заводского уровня)
такое очень часто было
-
Не в сети
- Сообщения: 121
- Зарегистрирован: Чт фев 26, 2026 9:04 am
- Город: СПб
Любая документация на лампомер Л3-33
во всяких разных физических институтах полно установок, уникальных. и потом списываются
в качестве примера
в качестве примера
-
Не в сети
- Сообщения: 15
- Зарегистрирован: Вт фев 10, 2026 3:13 pm
- Город: Москва
Любая документация на лампомер Л3-33
e2-e4,
Он сейчас завален ящиками, достать его отдельная история. Когда руки дойдут и начну заниматься, сделаю фото для истории))
Он сейчас завален ящиками, достать его отдельная история. Когда руки дойдут и начну заниматься, сделаю фото для истории))
Именно на это и похоже, но смущает довольно убедительный шильдик с местом под серийник.eddddy писал(а): Вт мар 10, 2026 9:17 pm скорее всего лаборатория при каком то заводе сделала под свои нужды, в единственном экземпляре,
-
Не в сети
- Сообщения: 121
- Зарегистрирован: Чт фев 26, 2026 9:04 am
- Город: СПб
Любая документация на лампомер Л3-33
а самого с/н и нету.
еще вариант - собирались выпускать, но в серию так и не пошло.
-
Не в сети
- Сообщения: 69
- Зарегистрирован: Чт янв 29, 2026 11:58 am
- Город: Москва
Любая документация на лампомер Л3-33
Я с таким тоже сталкивался, но только с носимым батарейным ламповым приёмником.
Приносили на восстановление, никакой информации по нему найти не удалось. Похоже на опытный образец.
ПисАл об этом, кажется, на старом форуме.
-
